来源:生态环境部
发布时间:2025年12月30日
点击数: 1937
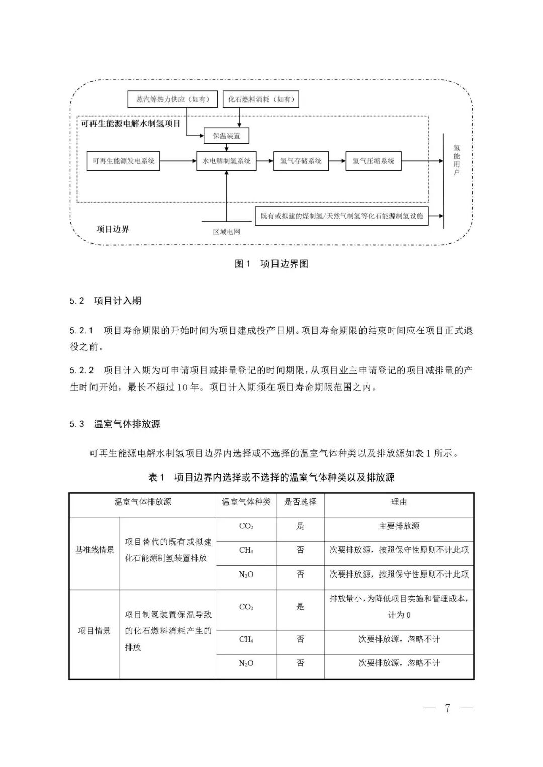
生态环境部、国家能源局综合司日前联合发布关于发布《温室气体自愿减排项目方法学 可再生能源电解水制氢(CCER—01—004—V01)》等2项方法学的通知,这就意味着风光制氢将获得额外的ccer收益!方法学明确: 项目自有的可再生能源电厂指的是自发自用且与制氢装置属于同一法人的发电设施。
根据通知,本方法学属于能源产业领域方法学本文件适用于新建的可再生能源电解水制氢项目,不包括对现有电解水制氢项目进行改造、修复或翻新、更换或扩容的项目,且必须满足以下条件:
a)项目消耗的可再生能源电力源自项目自有的可再生能源电厂1,电厂类型为风力发电厂、光伏发电厂或其组合形式;
b)项目自有的可再生能源电厂与终端氢制品,不得参与其他温室气体自愿减排交易机制、用于实现可再生能源制氢产品强制使用等要求;
c)项目必须严格遵守水资源管理制度,确保不会影响当地的饮水安全、供水安全和生态安全;
d)项目监测数据应与全国碳市场管理平台(.cn)联网,减排量产生于项目相关监测数据联网(完成联网试运行)之后;
e)项目应符合国家法律、法规、标准要求,符合行业发展政策。

方法学全文如下:























特别声明:水电学会转载其他网站内容,出于传递更多信息而非盈利之目的,同时并不代表赞成其观点或证实其描述,内容仅供参考。版权归原作者所有,若有侵权,请联系我们删除。