来源:北极星电力市场网
发布时间:2026年01月19日
点击数: 2119
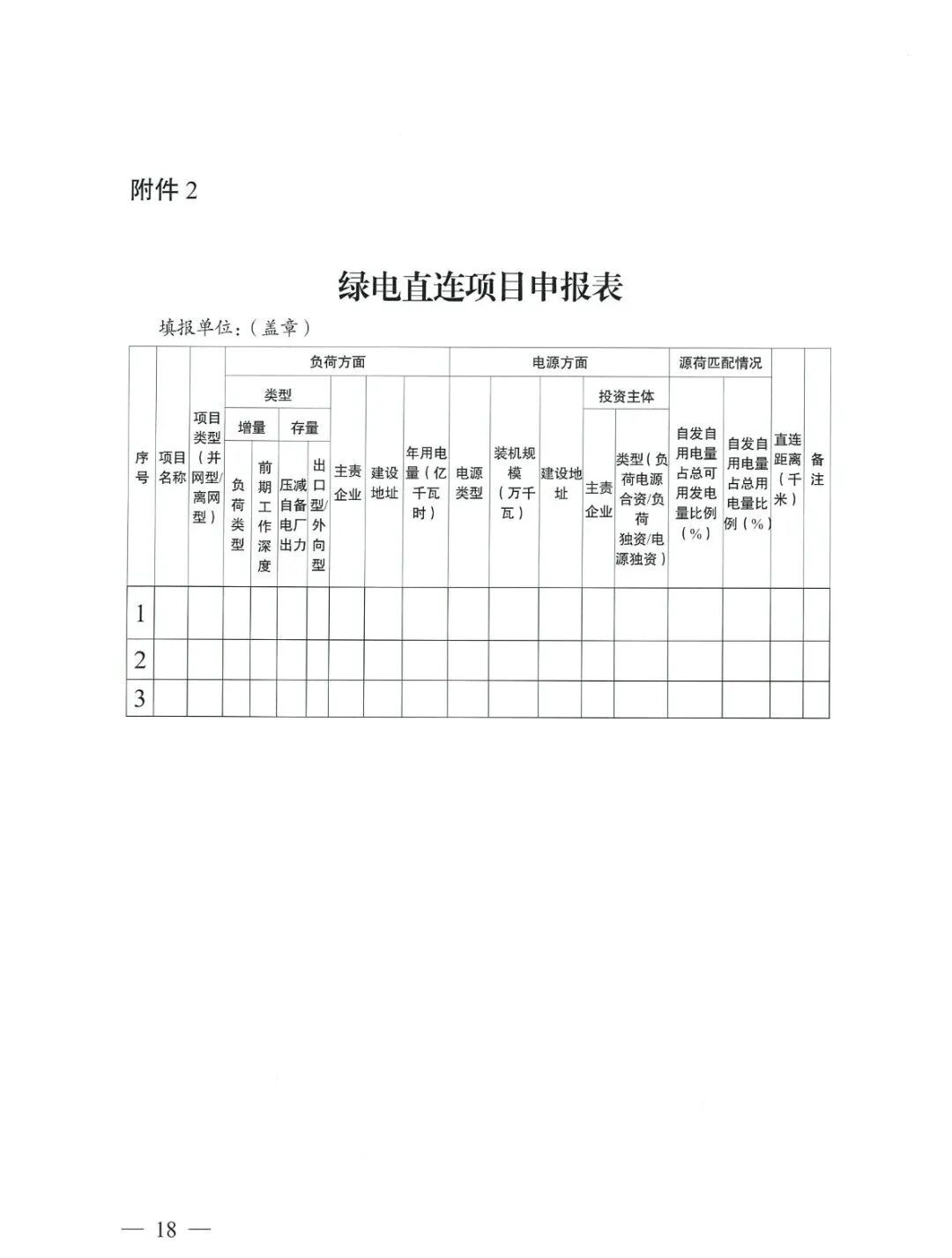
重庆市能源局发布关于征求《关于有序推动重庆市绿电直连发展有关事项的通知(征求意见稿)》意见的函,做好电源负荷适配。并网型绿电直连项目应按照“以荷定源”原则,科学确定新能源电源类型、装机规模和储能规模支持“整体自发自用为主,余电上网为辅”模式。项目新能源年自发自用电量占总可用发电量的比例应不低于60%,占总用电量的比例应不低于30%,并不断提高自发自用比例,到2030年不低于35%。上网电量占总可用发电量的比例不超过20%。其中,若绿电直连项目布局在电网送出受限断面内,受限期间内余电不上网(受限断面由电力调度主管部门确定并动态调整)。绿电直连项目的新能源利用率目标单独设置,不纳入全市新能源利用率统计,投资主体自行承担弃电风险。离网型绿电直连项目新能源与储能配置应满足负荷安全稳定用电需求。若项目投运首年运行天数未满整年,则首年总可用发电量按照实际运行天数与整年天数之比进行等比例折算。
详情如下:


















特别声明:水电学会转载其他网站内容,出于传递更多信息而非盈利之目的,同时并不代表赞成其观点或证实其描述,内容仅供参考。版权归原作者所有,若有侵权,请联系我们删除。